Gecertificeerde Veiligheidsventielen - S1510

Specificaties

Afstelling:                Wordt afgesteld en verzegeld geleverd

Werkdruk:               600-1500 bar. Kan worden aangepast aan eisen van de klant tussen 600 - 1500 bar.

Debiet:                   100 L/min

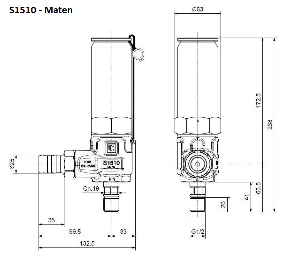
Aansluitmaten:     

Ingang:           1/2" buitendraad

Afvoer:            naar buiten

Materiaal:           

Behuizing:        Messing 

Klepzitting:       Roestvrij staal

Ventielkegel:     Roestvrij staal


Functie:

• Als de ingestelde werkdruk 20% overschreden, de klep opent en het medium ontsnapt in de open lucht.

• Dat systeem is beveiligd tegen overdruk


Installatiepositie:    Willekeurig


Past op pompen: SM - SKH



Specificaties

Afstelling:            Wordt afgesteld en

       verzegeld geleverd

Werkdruk:            600-1500 bar. Kan worden

       aangepast aan eisen van

       de klant tussen 600 -

       1500 bar.

Debiet:                100 L/min

Aansluitmaten:     

Ingang:           1/2" buitendraad

Afvoer:            naar buiten

Materiaal:           

Behuizing:        Messing 

Klepzitting:       Roestvrij staal

Ventielkegel:     Roestvrij staal


Functie:        

• Als de ingestelde werkdruk 20% overschreden, de klep opent en het medium ontsnapt in de open lucht.

• Dat systeem is beveiligd tegen overdruk


Installatiepositie:  Willekeurig


Past op pompen: SM - SKH


SX3 - modellen
Model Werkdruk (Bar) Waterverbruik (L/min) Onderdeelnummer
S1510-0600 600 100 M40502036
S1510-0700 700 100 M40502037
S1510-0800 800 100 M40502029
S1510-0900 900 100 M40502035
S1510-1000 1000 100 M40502020
S1510-1100 1100 100 M40502023
S1510-1200 1200 100 M40502002
S1510-1500 1500 100 M40502031